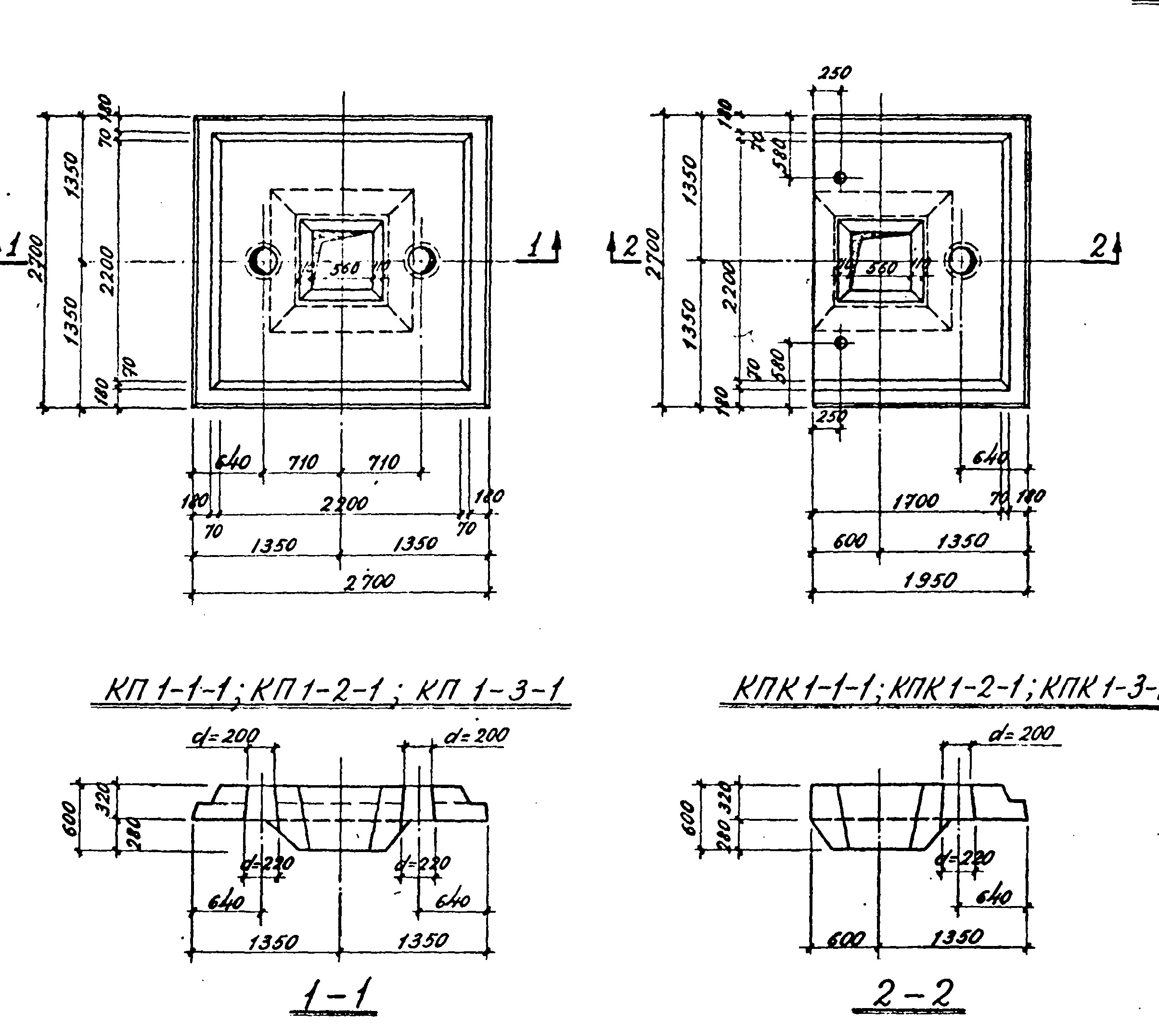
Колонна железобетонная КП 1-3-2 представляет собой железобетонное изделие, предназначенное для использования в строительстве. Она имеет прочную железобетонную конструкцию, которая обеспечивает надежность и долговечность.
Колонна железобетонная КП 1-3-2 широко используется в строительстве зданий и сооружений. Она может быть использована для создания несущих конструкций, таких как стены, перегородки, фундаменты и другие элементы зданий. Колонны данного типа обладают высокой устойчивостью к нагрузкам и обеспечивают надежную поддержку строительных конструкций.









